Bồn Cầu TOTO CS986GT2#XW 2 Khối Nắp Đóng Êm TC393VS được phân phối chính hãng tại Khánh Trang Home, giao hàng và lắp đặt miễn phí TP.HCM, bảo hành chính hãng, bảo trì nhanh tận nhà trong 2 giờ.

Bồn cầu 2 khối TOTO CS986GT2 là một trong những sự lựa chọn tuyệt vời dành cho nhiều không phòng tắm của gia đình. Với thiết kế kiểu dáng hiện đại, vô cùng bắt mắt. Cùng các tính năng công nghệ hiện đại được trang bị, giúp hạn chế các vệt ố bẩn, kháng khuẩn tốt. Đánh bay mọi chất bẩn giúp sản phẩm luôn được sáng bóng và vệ sinh. Đem lại tính thẩm mỹ cao và chất lượng sử dụng tốt cho mọi gia đình.

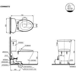
Thông tin cơ bản bệt TOTO CS986GT2 nắp TC393VS
- Tên sản phẩm: Bàn cầu TOTO hai khối CS986GT2 nắp đóng êm TC393VS
- Mã sản phẩm: CS986GT2
- Kích thước: 700D x 456W x 765H mm
- Màu sắc: Trắng
- Hệ thống xả: Tornado
- Loại xả: Tay gạt
- Lượng nước xả: 4.5L/3L
- Thiết kế: Thân dài, thân kín
- Tâm xả: 305 mm
- Áp lực nước: 0.05 ~ 0.70 MPa
Bàn cầu TOTO CS986GT2 bao gồm nắp rửa cơ
- Thân cầu: C769
- Két nước: S986G
- Nắp bồn cầu: TC393VS

Tính năng ưu việt của bồn cầu TOTO CS986GT2
- CS986GT2 có kiểu dáng mới lạ, gọn gàng. Thiết kế thân kín, vành kín tiện lợi trong việc vệ sinh hằng ngày.
- Lòng cầu tráng công nghệ men Cefiotect cho khả năng chống bám bẩn, chống ố, bảo vệ bề mặt sáng bóng suốt thời gian dài.
- Hệ thống xả Tonardo mạnh mẽ, hiệu quả, cuốn trôi mọi vệt bẩn. Tiết kiệm nước với chế độ xả 4.5/3.0 (L)
- Nắp đóng êm TC393VS có cơ chế đóng – mở rất êm ái, đem đến sự thuận tiện và thoải mái hơn, hạn chế được tình trạng bể vỡ của bàn cầu.
- Ngoài ra, mẫu bệ xí này còn có thể kết hợp với các dòng nắp rửa điện tử WASHLET.
- Dễ dàng thi công, lắp đặt, tháo rời nhanh chóng để sửa chữa.
- Phù hợp lắp đặt cho những không gian nhà tắm có diện tích vừa và nhỏ.
bản vẽ kỹ thuật của sản phẩm TOTO CS986GT2
Dưới đây là bản vẽ kỹ thuật của sản phẩm TOTO CS986GT2, các bạn có thể tham khảo thêm trước khi lắp đặt nhé!

Nếu bạn muốn mua bồn cầu 2 khối TOTO CS986GT2 chính hãng, với nhiều ưu đãi vô cùng tuyệt vời. Đừng ngần ngại, hãy liên hệ ngay với Không Gian Bếp Xinh qua số hotline: 1900 571 590 để được nhân viên tư vấn và hỗ trợ miễn phí. Hoặc bạn cũng có thể đến hệ thống Showroom của chúng tôi để trực tiếp trải nghiệm sản phẩm.





 
				



 
				 
				 
				 
				 
				 
				 
				 
				 
 
 
 
 
 
 

Đánh giá
Chưa có đánh giá nào.