Bồn Cầu TOTO MS885DE2#XW 1 Khối Nắp Rửa Cơ TCW07S được phân phối chính hãng tại Khánh Trang Home, giao hàng và lắp đặt miễn phí TP.HCM, bảo hành chính hãng, bảo trì nhanh tận nhà trong 2 giờ.

TÀI LIỆU MÔ TẢ SẢN PHẨM
THÔNG TIN MÔ TẢ SẢN PHẨM
Bồn cầu TOTO MS885DE2 nắp cơ Ecowasher là một sản phẩm mới ra mắt vào cuối tháng 7 năm 2019 vừa rồi của TOTO. Sản phẩm này có gì đặc biệt hãy cùng Không Gian Bếp Xinh chúng tôi đi tìm hiểu nhé!

Thông tin cơ bản bồn cầu TOTO MS885DE2 nắp rửa cơ
- Tên sản phẩm: Bồn cầu một khối TOTO nắp rửa cơ Eco-washer
- Mã sản phẩm: MS885DE2#XW
- Thiết kế : Thân dài
- Hệ thống xả : Tornado
- Loại xả: 2 nhấn
- Nắp rơi êm
- Lượng nước sử dụng: 4.5/ 3.0 (L)
- Áp lực nước sử dụng: 0.05 ~ 0.70 (Mpa)
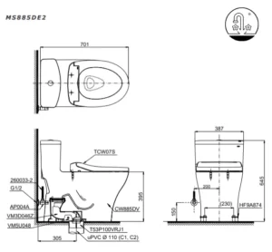
- Tâm xả: 305 (mm)
- Kích thước (DxRxC): 701 x 389 x 645 mm
- Màu sắc: Màu trắng
- Bao gồm van khóa và gioăng đế
- Xuất xứ: Việt Nam
Bàn cầu TOTO MS885DE2 gồm có
- Thân cầu: C885D – Xuất xứ: Việt Nam
- Nắp rửa cơ: TCW07S (E2) – Xuất xứ: Inđônêxia
- Bao gồm van khóa và gioăng đế.
Tính năng bàn cầu tự rửa MS885DE2 TOTO
- Bồn cầu nắp rửa cơ MS885DE2 được thiết kế sang trọng.
- Nắp đóng êm kèm vòi rửa nước lạnh Eco-washer.
- Phù hợp lắp đặt với nắp rửa điện tử WASHLET (tùy chọn).
- Thiết kế bồn cầu thân kín, vành kín tiện dụng cho việc vệ sinh hàng ngày.
- Bề mặt nước rộng giúp ngăn mùi hiệu quả..
- Công nghệ CeFiONtect giúp lòng bàn cầu siêu nhẵn, hạn chế tối đa các vết bẩn, vi khuẩn.
- Công nghệ xả Tornado êm, mạnh mẽ hiệu quả.
- Không cần điện.
- Đơn giản, dể sử dụng..
- Dể dàng lắp đặt với cả bồn cầu thân dài và thân tròn.
Bản vẽ kỹ thuật của bàn cầu TOTO MS885DE2
Bồn cầu TOTO MS885DE2 nắp rửa cơ TCW07S
Nếu bạn muốn mua bồn cầu 1 khối TOTO chính hãng, với nhiều ưu đãi vô cùng tuyệt vời. Đừng ngần ngại, hãy liên hệ ngay với Không Gian Bếp Xinh qua số hotline: 1900 571 590 để được nhân viên tư vấn và hỗ trợ miễn phí. Hoặc bạn cũng có thể đến hệ thống Showroom của chúng tôi để trực tiếp trải nghiệm sản phẩm.

Bàn Cầu Hai Khối COTTO C13547(CV10) Nắp Rửa Điện Tử
Vòi Lavabo TOTO TVLM102NSR Gật Gù Nóng Lạnh NEW STANDARD
Sen Tắm Âm Tường COTTO CT2245A Nóng Lạnh Kèm Van Chuyển Hướng
Bồn Cầu AMERICAN STANDARD VF-1808ET 1 Khối Nắp Êm Crytal 










Đánh giá
Chưa có đánh giá nào.