Bồn Tiểu Nam INAX U-411V Treo Tường được phân phối chính hãng tại Khánh Trang Home, giao hàng và lắp đặt miễn phí TP.HCM, bảo hành chính hãng, bảo trì nhanh tận nhà trong 2 giờ.

Bồn tiểu U-411V là một sản phẩm có chất lượng vượt trội, kiểu dáng thiết kế phù hợp với mọi đối tượng sử dụng. Thiết bị vệ sinh INAX này được nhiều công trình lựa chọn từ các khu công cộng đến hộ gia đình. Hãy cùng chúng tôi đi tìm hiểu thêm thông tin qua bài viết sau nhé!
Đặc điểm của tiểu nam INAX U-411V
Phân loại: Bồn tiểu dạng treo, cỡ lớn
Đầu phun UF-417R
Nắp sứ H-63
Màu sắc: Trắng
Đóng gói đã bao gồm đầu phua rửa và gioăng cao su nối tường.
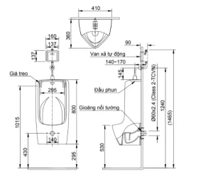
Kích thước: 410W x 360D x 800H (mm)
Tiểu nam INAX U-411V có thể sử dụng cả van cảm ứng và xả ấn, một số mã như:
-UF-7V
-UF-3VS
-OKUV-32SM
-OK-100SET(A)
-OKUV-120S(A)
Bề mặt trắng sáng, chống bám dính, hạn chế hình thành vệt ố do cặn khoáng.
Được thiết kế nhỏ gọn, tiện dụng, phù hợp với mọi không gian nhà vệ sinh, khu công cộng….
Bản vẽ kỹ thuật của bồn tiểu nam U411V treo tường
Bạn cần lưu ý một số vấn đề sau trước khi tiến hành việc lắp đặt thiết bị này nhé:
-Chiều cao đường cấp.
-Độ rộng lỗ thoát.
-Khoảng cách đường cấp đến trên cùng của bồn tiểu.
-Lựa chọn loại van xả phù hợp.
Để tăng sự riêng tư trong quá trình sử dụng, bạn có thể dùng thêm vách ngăn.

Ngoài ra, anh chị có thể tham khảo 2 dòng thấp cấp hơn của bồn tiểu nam INAX mã số: U-116V; U-117V; U-440V; U-431VR





Đánh giá
Chưa có đánh giá nào.