Chậu Rửa Lavabo INAX L-293V Đặt Bàn được phân phối chính hãng tại Khánh Trang Home, giao hàng và lắp đặt miễn phí TP.HCM, bảo hành chính hãng, bảo trì nhanh tận nhà trong 2 giờ.

Lavabo INAX đặt bàn L-293V(EC/FC) là một dòng sản phẩm có thiết kế hình dáng vuông hiện đại. Mẫu bồn rửa này được làm từ chất liệu men sứ có độ bền cao, nhiều đặc tính nổi bật như chống bám bẩn, dễ vệ sinh…. Hãy cùng Không Gian Bếp Xinh tham khảo bài viết sau để nắm thêm thông tin nhé!
Đặc điểm nổi bật của chậu rửa INAX L-293V
Kích thước (dài x rộng x cao): 500 x 450 x 155 mm
Màu sắc: Trắng cực kỳ đẳng cấp và nổi trội
Kiểu dáng: Hình vuông bầu đặc trưng
Chất liệu chính: Sứ được nung trong nhiệt độ lớn, có độ bền cao.
Không bao gồm phụ kiện ( vòi, bộ xả…)
Lớp men sứ cao cấp giúp hạn chế bám bẩn, tiết kiệm thời gian trong việc làm vệ sinh hàng ngày.
Thiết kế đặt bàn hiện đại, đường nét tinh tế giúp tạo điểm nhấn sang trọng cho nhà tắm.
Lòng chậu sâu cùng lỗ chống tràn tiện lợi, hạn chế tình trạng nước bắn ra sàn gây trơn trượt và không đảm bảo vệ sinh.
Kết hợp với một số mẫu vòi chậu nóng lạnh có dáng tròn cổ thấp như : LFV-1102S-1, LFV-12102S-1, LFV-222S tạo sự đồng bộ cho không gian.
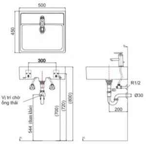
Bạn nên xem bản vẽ kỹ thuật của mẫu bồn rửa mặt INAX này hình dưới đây, trước khi lắp đặt nhé

Hướng dẫn sử dụng lavabo INAX đúng cách
-Sử dụng giá đỡ chắc chắn trong lắp đặt giúp đảm bảo an toàn.
-Thường xuyên vệ sinh sản phẩm bằng khăn mền và dung dịch tẩy rửa chuyên dụng.
-Hạn chế sử dụng các cọ rửa có độ cứng và thô ráp lớn cho bề mặt chậu.
-Chọn phụ kiện đi kèm như ống thải chờ, bộ xả phù hợp giúp người dùng thoải mái hơn trong quá trình dùng.
Để có thể hiểu rõ hơn về đặc điểm, kỹ thuật lắp đặt và các vấn đề về mua hàng, khách hàng hãy liên hệ ngay với Không Gian Bếp Xinh qua hotline 1900 5715 90 để được nhân viên hỗ trợ nhanh nhất nhé!
Hệ thống cửa hàng trên toàn quốc:
➤ Khu vực miền nam:
Số 2, Lương Định Của, Pường Bình An, Quận 2, TP.HCM
DP23, Dragon Parc 1, xã Phước Kiển, huyện Nhà Bè, Hồ Chí Minh
➤ Khu vực miền bắc:
Số 95 Phạm Văn Đồng, Mai Dịch, Cầu Giấy, Hà Nội





Đánh giá
Chưa có đánh giá nào.