Ruột khóa Häfele 1 đầu chìa, 1 đầu vặn, 5 chìa dài 70mm 916.63.099 được phân phối chính hãng tại Khánh Trang Home, giao hàng và lắp đặt miễn phí TP.HCM, bảo hành chính hãng, bảo trì nhanh tận nhà trong 2 giờ.

Ruột khóa Häfele 1 đầu chìa, 1 đầu vặn, 5 chìa dài 70mm 916.63.099
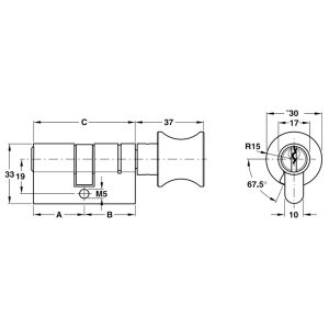
– Màu hoàn thiện: Nickle mờ
– Vật liệu: Đồng thau
– Chiều dài A: 35mm
– Chiều dài B: 35mm
– Chiều dài C: 70mm
– Trọn bộ gồm: 1 Ruột khóa, 5 Chìa khóa, 1 Vít
– Dùng cho cửa có độ dày tối đa 50mm
*Lưu ý:
+ Hình ảnh có thể là 1 sản phẩm tương tự




Đánh giá
Chưa có đánh giá nào.