Bồn cầu đặt sàn TOTO CW681/TC375CVK – Thân + Nắp được phân phối chính hãng tại Khánh Trang Home, giao hàng và lắp đặt miễn phí TP.HCM, bảo hành chính hãng, bảo trì nhanh tận nhà trong 2 giờ.

Bồn cầu đặt sàn TOTO CW681/TC375CVK két âm tường là sản phẩm chính hãng của TOTO với thiết kế hiện đại, nhỏ gọn phù hợp với mọi không gian phòng tắm, mang lại cho không gian phòng tắm sự hiện đại. Hoạt động mạnh mẽ, sử dụng dễ dàng đã đem lại sự thuận tiện với người sử dụng.
Đặc điểm nổi bật của bồn cầu TOTO CW681/TC375CVK
- Với hệ thống xả Siphon mạnh mẽ dòng nước xối thẳng từ vành bồn cầu đem lại hiệu quả tối ưu.
- Kiểu dáng đặt sàn với thiết kế két nước âm tường giúp tiết kiệm thời gian vệ sinh sản phẩm.
- Ngoài ra bồn cầu còn kết hợp với nắp xả nhấn 2 chế độ được thiết kế hiện đại, sử dụng dễ dàng.
Thông số kỹ thuật bồn cầu CW681/TC375CVK
- Mã sản phẩm: CW681/TC375CVK
- Hãng sản xuất: TOTO
- Tên sản phẩm: Bồn cầu đặt sàn
- Tâm xả bồn cầu: 275 mm (thoát sàn)
- Hệ thống xả: Siphon
- Thiết kế: Két âm tường, mũi dài
- Kích thước(DxRxC): Thân cầu: 600D x 448W x 434H mm
- Áp lực nước: 0.05MPa~0.75MPa
- Xuất xứ: Trung Quốc
- Màu sắc: Màu trắng
- Bảo hành: 02 năm
*Sản phẩm chưa bao gồm két nước âm tường
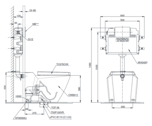
Bản vẽ kỹ thuật bồn cầu CW681/TC375CVK

Video công nghệ TOTO
Đang cập nhật…




Đánh giá
Chưa có đánh giá nào.