Bồn Cầu Điện Tử TOTO CS761DW8#XW Kèm Nắp Rửa Điện Tử WASHLET Dòng C2 – TCF6632A (220V) được phân phối chính hãng tại Khánh Trang Home, giao hàng và lắp đặt miễn phí TP.HCM, bảo hành chính hãng, bảo trì nhanh tận nhà trong 2 giờ.

Bồn cầu Toto CS761DW8 thuộc bộ sưu tập NEW WASHLET của thương hiệu Nhật Bản chuyên về Thiết bị vệ sinh của Toto. Bàn cầu xí bệt này sử dụng nắp điện tử Washlet TCF6632A (220V) nhập khẩu Malaysia. Có hệ thống xả: ECOMAX hiệu quả, tiết kiệm nước.
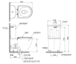
Đặc điểm bồn cầu thông minh TOTO CS761DW8
- Bồn cầu nắp rửa thông minh của thương hiệu thiết bị vệ sinh TOTO
- Tên sản phẩm: Bồn cầu thông minh TOTO CS761DW8 – Bồn cầu TOTO nắp điện tử Washlet TCF6632A (220V)
- Hệ thống xả: ECOMAX hiệu quả, tiết kiệm nước
- Lượng nước xả: 4.8/3L
- Thiết kế: Thân chữ D
- Tâm xả: 305mm
- Kích thước: 845 x410 x 704 x 416 (mm)
- Áp lực nước: 0.05MPa~0.75MPa
- Màu sắc: Màu trắng
- Bao gồm van khóa và bích nối sàn
Tính năng bồn cầu thông minh TOTO CS761DW8
- Bồn cầu TOTO 2 khối CS761DW8Có chức năng sưởi ấm nắp ngồi
- 02 chế độ rửa trước, rửa sau massage linh hoạt, điều chỉnh vị trí vòi rửa
- Điều chỉnh nhiệt độ sấy, nước và bệ ngồi.
- Tính năng khử mùi được kích hoạt tự động
Công nghệ thiết kế bàn cầu TOTO CS761DW8
- Thiết kế thân kín, vành kín tiện dụng cho việc vệ sinh hàng ngày
- Công nghệ CeFiONtect giúp lòng bàn cầu siêu nhẵn, hạn chế tối đa các vết bẩn, vi khuẩn
- Hệ thống xả xoáy Tornado mạnh mẽ, dòng nước xoáy đều quanh mặt cầu đem lại hiệu quả tối ưu
Bồn cầu TOTO CS761DW8 bao gồm
- Thân cầu: C761 – Xuất xứ: Việt Nam
- Két nước: S760D – Xuất xứ: Việt Nam
- Nắp rửa điện tử: TCF6632A – Xuât xứ: Malaysia
Hình ảnh bảng vẽ kỹ thuật bồn cầu CS761DW5 Toto

Hình ảnh thực tế Bồn cầu Toto CS761DW8

Muốn mua bồn cầu Toto CS761DW5 chính hãng ở đâu
- Siêu thị Không Gian Bếp Xinh là đơn vị hàng đầu trong lĩnh vực thiết bị vệ sinh ToTo Nhật Bản – chuyên gia phân phối hàng chính hãng tại Saigon.
- Dịch vụ hậu mãi khách hàng tốt – Đổi trả hàng trên tinh thần hợp tác – giao hàng miễn phí TPHCM.
- Đến với chúng tôi bạn có nhiều mặc hàng khác nhau để lựa chọn như: bồn nước, máy năng lượng, máy lọc nước, chậu rửa chén, thiết bị bếp, gạch ngoại thất inax….
- Hãy liên hệ ngay với chúng tôi qua hotline : 0934.36.36.26. Gặp Ms.Vân để được đặt hàng trực tiếp. Đến ngay showroom tại địa chỉ số 5A đường số 5, Kp4, P An Phú, Quận 2, HCM . Để được trải nghiệm sản phẩm







Đánh giá
Chưa có đánh giá nào.