Chậu Rửa Lavabo INAX AL-445V Đặt Bàn Aqua Ceramic được phân phối chính hãng tại Khánh Trang Home, giao hàng và lắp đặt miễn phí TP.HCM, bảo hành chính hãng, bảo trì nhanh tận nhà trong 2 giờ.

AL-445V là mẫu chậu lavabo INAX được thiết kế với kiểu dáng đặt bàn sang trọng. Bề mặt trải dài trên mặt phẳng đá, giúp cho khách hàng có thể dễ dàng vệ sinh, rửa mặt một cách thuận tiện. Linh hoạt kết hợp với các loại thiết bị vệ sinh khác mang lại sự tiện nghi cho không gian nhà tắm.
Thông tin cơ bản của bồn rửa INAX AL-445V
Mã sản phẩm: AL-445V
Kích thước : 450 x 450 x 165 mm
Màu sắc: Trắng
Không bao gồm phụ kiện ( vòi, bộ xả…)
Có thể dùng với vòi: LFV-5012SH, LFV-1402SH, LFV-2012SH, LFV-502SH, LFV-112SH
Chậu rửa mặt INAX AL-445V đặt bàn có đặc điểm gì nổi bật ?
Chất liệu sứ cao cấp cùng công nghệ tráng men Aqua Ceramic hiện đại, giữ cho bề mặt luôn sáng bóng và bền màu với thời gian. Chống bám dính tốt, chống trầy xước hiệu quả, dễ dàng vệ sinh, lau chùi.
Thiết kế với lòng chậu sâu không có góc cạnh giúp dòng nước tiếp xúc uyển chuyển hạn chế tình trạng bắn tóe nước khi sử dụng.
Lỗ thoát tràn tiện dụng, ngăn nước chảy ra ngoài khi vô tình quên tắt khóa vòi nước.
Tận dụng được không gian, có thể bỏ được các đồ dùng cần thiết xuống phía dưới gầm.
Được lắp đặt rộng rãi trong nhiều hộ gia đình hay các chung cư, bệnh viện, khách sạn….
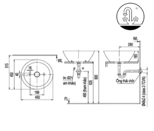
Bản vẽ kỹ thuật của lavabo INAX AL-445V đặt bàn
Xem thêm bản vẽ kỹ thuật của lavabo đặt bàn INAX AL-445V để thuận tiện hơn khi tự lắp đặt tại nhà nhé!

Nếu khách hàng ưa chuộng sự sang trọng, quý phái với những đường nét tinh tế, độc đáo. Thì nên chậu rửa mặt đặt bàn sẽ là sự lựa chọn tuyệt vời dành cho gia đình bạn. Liên hệ ngay với Không Gian Bếp Xinh để đặt hàng nhanh nhé!





Đánh giá
Chưa có đánh giá nào.