Chậu Rửa Lavabo INAX AL-536V Đặt Bàn Aqua Ceramic được phân phối chính hãng tại Khánh Trang Home, giao hàng và lắp đặt miễn phí TP.HCM, bảo hành chính hãng, bảo trì nhanh tận nhà trong 2 giờ.

Chậu rửa Lavabo Inax AL-536V (GC/EC/FC) là một sản phẩm đặt bàn cực kỳ ưa chuộng tại thị trường Hồ Chí Minh. Hôm nay siêu thị Không Gian Bếp Xinh chúng tôi sẽ chia sẻ cho bạn những đặc điểm tuyệt vời đến từ chậu rửa mặt Inax này nhé
Đặc điểm của chậu rửa Lavabo Inax AL-536V (GC/EC/FC)
Dòng sản phẩm chậu rửa lavabo INAX AL-536V đặt bàn hình chữ nhật đến từ thương hiệu thiết bị vệ sinh INAX
Màu sắc: Trắng cực kỳ sáng bóng và đẳng cấp
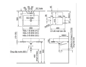
Kích thước (dài x rộng x cao): 550 x 500 x 155 mm
Chiều cao thành chậu: 100 mm
Với đặc tính kháng khuẩn, dễ lau chùi
Chất liệu sứ Aqua Ceramic cao cấp, chống bám bẩn cực kỳ hiệu quả
AL-536VEC : Kiểu 3 lỗ
AL-536VFC : Kiểu 1 lỗ
AL-536VGC: Chậu 3 lỗ gắn vòi 2 tay gạt
Không bao gồm phụ kiện ( vòi, bộ xả…)
Có thể dùng với vòi chậu Inax: LFV-1102S-1 , LFV-12102S-1 , LFV-222S …
Nếu bạn chưa biết nên kết hợp với loại vòi nào có thể tham khảo Không Gian Bếp Xinh nhé.
Dưới đây là bản vẽ kỹ thuật của sản phẩm này. Bạn nên xem xét thật kỹ trước khi lắp đặt tại nhà nhé

Nếu bạn đang có thắc mắc về sản phẩm cũng như đang muốn mua các sản phẩm chính hãng Inax. Các bạn có thể liên hệ ngay với siêu thị thiết bị vệ sinh Không Gian Bếp Xinh chúng tôi qua hotline 0934.36.36.26 or 098.6666.516
Địa chỉ 5A đường số 5, Kp4, P An Phú, quận 2, HCM





Đánh giá
Chưa có đánh giá nào.