Vòi Lavabo TOTO TLE29002A/TLE04502A1/TLN01102A Cảm Ứng Nước Lạnh được phân phối chính hãng tại Khánh Trang Home, giao hàng và lắp đặt miễn phí TP.HCM, bảo hành chính hãng, bảo trì nhanh tận nhà trong 2 giờ.

Voi cam ung TOTO TLE29002A/TLE04502A1/TLN01102A được đúc từ đồng và mạ sáng loáng, giúp giữ được độ mới lâu bền với thời gian. Có độ cong mềm mại, độ cao phù hợp và phần cảm biến gắn đầu vòi, giúp người dùng cảm thấy tiện nghi, an tâm hơn khi sử dụng.

Thông số kỹ thuật vòi cảm ứng TOTO TLE29002A TLE04502A1 TLN01102A
Mã sản phẩm: TLE29002A/TLE04502A1/TLN01102A
Xuất xứ: Trung Quốc
Nguồn nước: Lạnh
Lưu lượng nước: 2L/phút
Áp lực nước: 0.05 ~ 0.75 MPa
Chất liệu: Đồng mạ chrome bóng
Bộ điều khiển vòi cảm ứng kèm dây cấp, van dừng
Mua thêm bộ xả TVLF405
Đặc điểm của vòi rửa tay cảm ứng TOTO TOTO TLE29002A/TLE04502A1/TLN01102A Pin 2L
Thiết kế vòi cong mềm mại, đầu vòi có hệ thống lọc, thân vòi mạ Nickel Chrome dễ lau chùi, chống bong tróc, hoen gỉ khi va chạm mạnh và tiếp xúc với môi trường.
Sử dụng công nghệ cảm ứng Eco-power, cho phép người dùng tiết kiệm được lượng nước sử dụng.
Vòi cực dễ sử dụng bởi cảm biến nhạy đặt trên đầu vòi, có thể sử dụng mà không cần quá nhiều thao tác, lượng nước xả ra mỗi lần chỉ rơi vào khoảng 2 lít trong một phút xả.
Van đĩa bằng sứ chống bám cặn bẩn giúp khóa van nước hoàn toàn.
Vô cùng thích hợp cho các tòa chung cư, tòa nhà lớn, trung tâm thương mại, những nơi công cộng. Hay các gia đình có điều kiện và muốn không gian nhà tắm thêm tiện nghi, hiện đại.
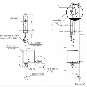
Để thuận tiện hơn trong việc tự lắp đặt tại nhà, xem thêm bản vẽ kỹ thuật của vòi TLE29002A+TLE04502A1+TLN01102ATOTO dưới đây nhé!

Chế độ bảo hành của vòi nước cảm ứng TOTO
Hiện nay các vòi nước cảm ứng của thiet bi ve sinh TOTO đang được Không Gian Bếp Xinh áp dụng chính sách bảo hành lên đến 2 năm. Nếu quý khách có nhu cầu chọn mua, vui lòng liên hệ vào đường dây nóng 1900571590. Để được tư vấn và hỗ trợ lựa chọn theo ý thích nhé!







Đánh giá
Chưa có đánh giá nào.