Vòi Lavabo TOTO TVLM111NS Gật Gù Nóng Lạnh NEW STANDARD được phân phối chính hãng tại Khánh Trang Home, giao hàng và lắp đặt miễn phí TP.HCM, bảo hành chính hãng, bảo trì nhanh tận nhà trong 2 giờ.

TÀI LIỆU MÔ TẢ SẢN PHẨM
THÔNG TIN MÔ TẢ SẢN PHẨM
Vòi lavabo TOTO TVLM111NS nóng lạnh là một trong những sản phẩm bán chạy nhất trong thời gian gần đây. Kết hợp tài tình qua việc đan xen giữ yếu tố thẩm mỹ và chất lượng sử dụng, để đem đến những trải nghiệm thực tế trọn vẹn nhất cho người dùng. Hãy cùng Không Gian Bếp Xinh tìm hiểu thông tin, đặc điểm của nó ở bài viết sau đây nhé!
Thông số kỹ thuật vòi chậu TOTO TVLM111NS nóng lạnh
Mã sản phẩm: TVLM111NS
Xuất xứ: Việt Nam
Chất liệu: Đồng mạ Niken-Crom
Áp lực nước: 0.05MPa ~ 0.75MPa
Loại: Tay gạt đơn
Chế độ nước: Nóng lạnh
Lưu ý: Bao gồm bộ xả, không gồm ống thải chữ P
Tính năng ưu việt của sản phẩm
Thiết kế hiện đại hài hòa với bộ sưu tập New Standard. Phù hợp với các mẫu chậu đặt trên bàn, tạo nên một thể thống nhất. Góp phần tăng thêm vẻ đẹp sang trọng, đẳng cấp cho không gian nhà tắm.
Lớp mạ Nickel Chrome bền vững với thời gian, cho bề mặt sáng bóng, chống trầy xước cao, dễ dàng vệ sinh và lau chùi.
Thân van được làm từ chất liệu đồng thau nguyên chất, có khả năng chịu lực, chịu nhiệt tốt, cho độ bền cao, thân thiện với môi trường.
Tay gạt nhỏ, mỏng chỉ cần một cử động chạm nhẹ đã có ngay dòng nước tuôn trào êm ái mà không văng ra ngoài.
Van đĩa bằng sứ giúp khóa nước hoàn toàn và chống lại tình trạng bám cặn bẩn gây hư hại sản phẩm.
Sử dụng kỹ thuật phun nước bằng cánh quạt bên trong tạo ra hạt nước lớn hơn trộn lẫn không khí, giúp tiết kiệm nước và năng lượng khi sử dụng.
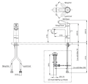
Sau đây là bản vẽ kỹ thuật của vòi rửa mặt TOTO TVLM111NS, tham khảo thêm để thuận tiện hơn trong việc lắp đặt nhé!

Không Gian Bếp Xinh – địa chỉ mua thiết bị nhà vệ sinh TOTO
Với nhiều năm kinh nghiệm trong lĩnh vực phân phối và cung cấp các dòng sản phẩm thiết bị nhà vệ sinh TOTO. Không Gian Bếp Xinh tự hào là đơn vị uy tín hàng đầu, xứng đáng cho quý khách đặt niềm tin chọn lựa mua hàng. Đến với chúng tôi các bạn sẽ được đội ngũ nhân viên chuyên nghiệp, tư vấn tận tình. Hỗ trợ thêm nhiều chính sách ưu đãi và chế độ bảo hành cực kỳ tốt. Liên hệ ngay để không phải bỏ lỡ nhé!






Đánh giá
Chưa có đánh giá nào.