Vòi Sen Tắm INAX BFV-1403S-8C Nóng Lạnh Tay Sen Tăng Áp được phân phối chính hãng tại Khánh Trang Home, giao hàng và lắp đặt miễn phí TP.HCM, bảo hành chính hãng, bảo trì nhanh tận nhà trong 2 giờ.

BFV-1403S-8C là mẫu sen tam INAX cao cấp sử dụng được cả nước nóng và lạnh vô cùng tiện lợi. Kiểu dáng thiết kế đẹp mắt, dễ dàng sử dụng, phù hợp cho nhiều không gian phòng tắm khác nhau. Sản phẩm này còn có gì đặc biệt, hãy cùng Không Gian Bếp Xinh đi tìm hiểu ngay qua bài viết sau nhé!
Thông tin cơ bản của BFV-1403S-8C
| Phân loại | Vòi sen nóng lạnh INAX |
| Chất liệu | Đồng mạ |
| Bề mặt hoàn thiện | Crom – niken |
| Áp lực nước cấp | 0.1MPa ~ 0.5MPa |
| Đường kính ống cấp | Ø21 mm |
| Van điều khiển | Sứ |
| Tay sen | -8C |
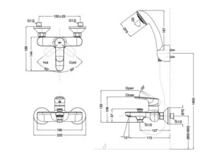
Tham khảo bản vẽ kỹ thuật của voi sen INAX BFV1403S-8C dưới đây để nắm thêm thông tin trước khi tiến hành lắp đặt nhé.

Đặc điểm của sen tắm INAX BFV1403S-8C nóng lạnh
Thiết kế hiện đại, phù hợp lắp và sử dụng trong nhiều không gian nhà tắm khác nhau.
Vòi sen được hoàn toàn từ chất liệu đồng nguyên chất, có độ an toàn với sức khỏe người dùng cao.
Sử dụng van điều khiển bằng ceramic bền bỉ và chống rò rỉ nước trong mọi điều kiện áp lực.
BFV-1403S-8C sở hữu tay sen kiểu dáng trang nhã, tia phun rộng, lực nước mạnh, giữ nhiệt ổn định và tạo hiệu ứng massage tốt.
Bề mặt phủ mạ crom – niken giúp sản phẩm luôn sáng bóng sau thời gian dài sử dụng.
Bạn chần chừ gì nữa, hãy nhanh chóng liên hệ với Không Gian Bếp Xinh qua hotline 1900 571 590 hoặc địa chỉ sau để mua sen tắm BFV-1403S-8C và nhiều thiết bị phòng tắm INAX giá tốt khác nhé:
- Miền nam:
Số 2, Lương Định Của, Phường An Khánh, thành phố Thủ Đức, Hồ Chí Minh
DP23, Dragon Parc 1, xã Phước Kiển, huyện Nhà Bè, Hồ Chí Minh
- Miền bắc:
Số 95 Phạm Văn Đồng, Mai Dịch, Cầu Giấy, Hà Nội
- Miền trung:
Số 395 Nguyễn Công Trứ, Nguyễn Du, Thành phố Hà Tĩnh





Đánh giá
Chưa có đánh giá nào.